199-0511-9898 李经理
GSL旋转供料阀,其结构由链轮和链条传动,亦可用皮带传动。可通过链轮或皮带轮 大小比例调整转速,达到预期的卸料量,根据物料的介质和特性,可制作多形式叶片结构和防卡措施。材质有铸铁、不锈钢,亦可喷涂碳化钨、陶瓷、特氟龙等辅助形式,达到耐磨损、耐腐蚀、防粘连,经过特殊处理适用于锂电、钨业、化工、食品、医药等高要求行业,其轴向多层保护,确保粉尘隔离轴承,保障长期安全工作。
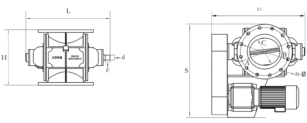
技术参数:
| 口径 | 型号 L | 普通法兰 | 国标法兰 | ||||||||||
| A | B | N-ø | A | B | N-ø | H | L | L1 | S | d | F | ||
| 150 | 2L | 240 | 200 | 8-11 | 285 | 240 | 8-22 | 240 | 440 | 470 | 520 | 28 | 60 |
| 180 | 4L | 280 | 240 | 8-11 | 280 | 465 | 490 | 560 | 28 | 60 | |||
| 200 | 6L | 300 | 260 | 8-13 | 340 | 295 | 8-22 | 300 | 485 | 510 | 605 | 28 | 60 |
| 220 | 8L | 320 | 280 | 8-13 | 320 | 490 | 520 | 625 | 28 | 60 | |||
| 250 | 10L | 340 | 300 | 8-13 | 395 | 350 | 12-22 | 340 | 540 | 580 | 650 | 28 | 60 |
| 260 | 12L | 360 | 320 | 8-13 | 360 | 565 | 600 | 670 | 30 | 65 | |||
| 280 | 14L | 380 | 340 | 8-17 | 380 | 635 | 670 | 690 | 30 | 65 | |||
| 300 | 16L | 400 | 360 | 8-17 | 445 | 400 | 12-22 | 400 | 655 | 690 | 710 | 30 | 65 |
| 320 | 18L | 420 | 380 | 8-17 | 420 | 675 | 710 | 750 | 32 | 70 | |||
| 350 | 20L | 450 | 400 | 12-17 | 505 | 460 | 16-22 | 480 | 740 | 770 | 785 | 35 | 70 |
| 400 | 30L | 500 | 460 | 12-17 | 565 | 515 | 16-22 | 520 | 780 | 810 | 850 | 35 | 70 |


Copyright © 2023 江苏丹港机械制造有限公司 版权所有 免责声明