199-0511-9898 李经理
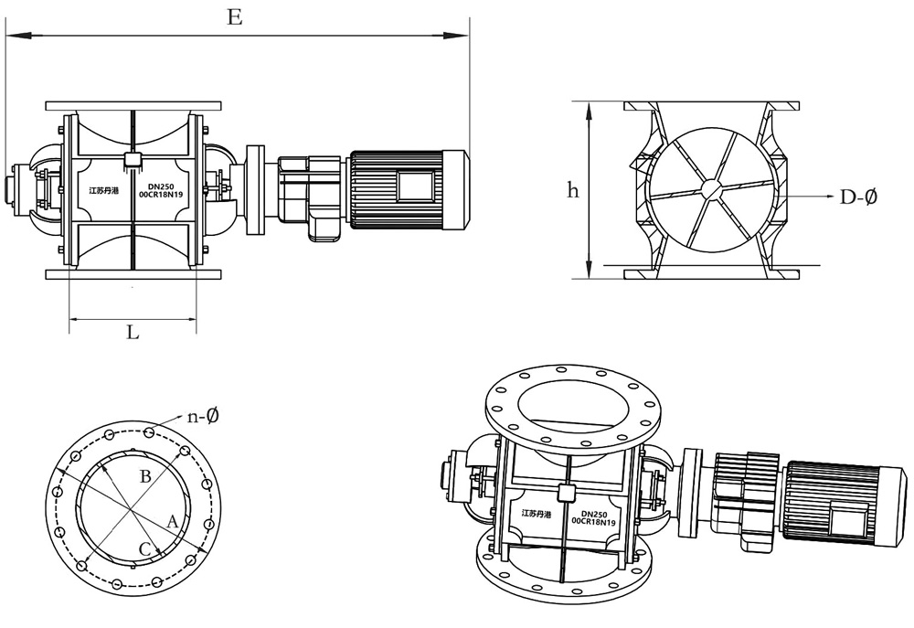
GSB旋转供料器,壳体及主要零部件采用精密铸造,外形美观,用于下料或将物料添加到不同压力的正压或负压气流输送系统中,是气力输送的必备设备轴承双外置形式,具有良好的强度及精度,轴向采用多层保护系统,通过轴气对于物料隔离,确保长期工作。
多形式结构转子,小化的转子间隙将泄漏量降到较低值,经过特殊处理,更适用于卫生、化工、医药、锂电、食品等高要求行业,材质不锈钢。
通过标准组件和设计的不同组合,可构成多形式的转动配置选择。
技术参数:
| 公称通径C | 法兰规格 | 外形尺寸 | |||||||||||||
| 普通法兰 | GB/Mpa | 转速 | 重量 | 输送动力 | |||||||||||
| DN/mm | DN/in | B | A | N-Ø | B | A | N-Ø | h | E | L | D-Ø | 电极功率 KW | R/min | kg | can3L |
| 50 | 2 | 85 | 125 | 4-11 | 125 | 160 | 4-18 | 175 | 512 | 95 | 100 | 0.25 | 24-43 | 65 | 1 |
| 100 | 4 | 150 | 180 | 4-11 | 180 | 215 | 8-18 | 240 | 780 | 140 | 140 | 0.37 | 24-43 | 75 | 2 |
| 150 | 6 | 200 | 240 | 6-13 | 240 | 280 | 8-22 | 300 | 860 | 180 | 200 | 0.55 | 24-43 | 90 | 6 |
| 200 | 8 | 260 | 300 | 6-13 | 295 | 340 | 8-22 | 360 | 950 | 240 | 250 | 1.1 | 24-43 | 130 | 8 |
| 250 | 10 | 300 | 340 | 8-17 | 350 | 395 | 12-22 | 400 | 1015 | 290 | 280 | 1.5 | 24-43 | 165 | 14 |
| 300 | 12 | 360 | 400 | 8-17 | 400 | 445 | 12-22 | 440 | 1100 | 340 | 300 | 2.2 | 24-43 | 230 | 18 |
| 350 | 14 | 440 | 480 | 12-14 | 460 | 505 | 16-22 | 480 | 1156 | 360 | 320 | 3 | 24-43 | 300 | 20 |
| 400 | 16 | 460 | 460 | 12-14 | 515 | 565 | 16-22 | 560 | 1255 | 400 | 360 | 3 | 24-43 | 380 | 30 |
| 450 | 18 | 520 | 560 | 16-17 | 565 | 615 | 20-22 | 620 | 1350 | 480 | 400 | 4 | 24-43 | 480 | 50 |
| 500 | 20 | 560 | 610 | 16-17 | 620 | 670 | 20-22 | 680 | 1450 | 540 | 450 | 4 | 24-43 | 590 | 60 |
| 600 | 24 | 680 | 720 | 16-17 | 725 | 780 | 20-22 | 720 | 1530 | 620 | 480 | 4 | 24-43 | 720 | 80 |


Copyright © 2023 江苏丹港机械制造有限公司 版权所有 免责声明